Солнечная энергетика получает все большее развитие в современном мире, она характеризуется максимальной простотой использования, наибольшими ресурсами, экологической чистотой и повсеместным распространением. Эти обстоятельства определяют гелиоэнергетику как одно из наиболее перспективных направлений развития возобновляемой энергетики.
Наиболее актуально применение солнечных энергетических установок (СЭУ) в регионах без стационарной сети электропитания. Замена дизельных генераторов на СЭУ в таких регионах не только помогает облегчить энергетические и экологические проблемы, но и является экономически выгодной.
На начальных этапах развития солнечные батареи оставались зафиксированными в однажды найденном эффективном положении. В ряде случаев мы даже не придавали этому особого значения, приблизительно выставляя батарею в направлении Солнца. Однако логично предположить, что Солнечные элементы генерируют максимальную энергию, только когда они располагаются точно перпендикулярно направлению солнечных лучей, а это может случиться только один раз в день.
Предположим, что мы смогли проследить за положением Солнца на небосклоне? Другими словами, что случилось бы, если бы мы поворачивали солнечную батарею в течение дня так, чтобы она всегда была направлена непосредственно на Солнце? Только благодаря изменению этого параметра мы повысили бы полную отдачу от солнечных элементов, как раз наша работа заключается в создании некой конструкции способной направлять панели на Солнце и необходимостью выяснить, на сколько процентов увеличится эффективность работы панелей.
План работы над проектом.
| № | Название этапа | Описание этапа | Дата выполнения |
| 1 | Подготовка проекта | Создание чертежей и спецификации. | с 4.05.15 по 12.06.15 |
| 2 | Сдача проекта | Последнее согласование проекта с наставниками. После чего проект сдан на рассмотрение бюро. | с 15.06.15 по 17.06.15 |
| 3 | Защита проекта | Публичная защита проекта на заседании опытно-конструкторского бюро. | 18.06.15 |
| 4 | Закупка материалов | Поиск материалов и поставщиков. | с 1.09.15 по 18.10.15 |
| 5 | Изготовление проекта | Выполнение сварных, токарных и других видов работ. | с 18.10.15 по 10.03.16 |
| 6 | Установка проекта | Подготовка крыши техникума, выполнение монтажных работ. | 11.03.16 |
| 7 | Исследование системы слежения за солнцем. | Снятие показаний с выходов панелей. | с 14.03.16 |
За двенадцать занятий были подготовлены чертежи: основания системы слежения, крепежа, крышки, крепежной рамы, схемы платы управления. Подготовлена спецификация материалов и электронной составляющей. Все результаты были подготовлены в виде докладов и прошли защиту.
На этапе изготовления, как и на этапе разработки, принимали участие три отдела опытно-конструкторского бюро студентов и педагогов. Отдел металлоконструкции состоит из обучающихся по профессии электрогазосварщик и обучающихся по профессии токарь-универсал. Первые занимались изготовлением основания, крепежной рамы, крепежа и крышки,


а вторые создавали: стакан, вал, шкивы, которые были установлены в подготовленное основание.
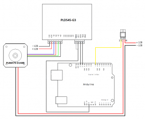
Отдел электроники, состоящий из обучающихся по специальности “Техническое обслуживание электрооборудования” создавали плату управления.
По завершению этапа изготовления, обучающиеся приступили к установке конструкции. Данное событие освещалось новостной передачей NoteBene. Название сюжета: “Абакан создает будущее на своих крышах”. Посмотреть сюжет можно по ссылке http://ctv7.ru/news/abakan-sozdayot-budushchee-na-svoih-kryshah.
Исследование эффективности системы.
Исследование эффективности системы слежения за Солнцем заключается в сравнении показаний силы зарядного тока и напряжения снимаемых с выходов солнечных панелей установленных стационарно и установленные на систему слежения. Измерения снимались каждый день, начиная с 14 марта с интервалом в 1 час. Сама же конструкция изменяет положение панелей раз в два часа.
Показания измерений Солнечных панелей представлены в таблице № 1 и графике показаний солнечных панелей на рисунке 1.
Таблица 1.
Показания солнечных панелей в солнечную погоду, 22.03.16.
| t | 8:00 | 9:00 | 10:00 | 11:00 | 12:00 | 13:00 | 14:00 | 15:00 | 16:00 | ср. значение |
| I1,A | 1 | 5 | 7 | 7 | 9 | 9 | 8 | 7 | 4 | 6,3 |
| I2, A | 1 | 6 | 9 | 8 | 9 | 9 | 9 | 9 | 7 | 7,4 |
Рис.1. Показания солнечных панелей в солнечную погоду, 22.03.16
Расчет эффективности панелей установленных на системе слежения за солнцем представлен в таблице № 2.
Таблица № 2.
Количество выработанной энергии солнечными панелями за 8 часов в Вт и их сравнение.
| Выходное напряжение, В | 42 |
| P1, Вт | 2128,0 |
| P2, Вт | 2501,3 |
| P2-P1, Вт | 373,3 |
| Эффективность, % | 14,9 |
Показания измерений солнечных панелей представлены в таблице № 3 и графике показаний солнечных панелей на рисунке № 2.
Таблица 3.
Показания солнечных панелей в пасмурную погоду, 17.03.16.
| t | 8:00 | 9:00 | 10:00 | 11:00 | 12:00 | 13:00 | 14:00 | 15:00 | 16:00 | ср. значение |
| I1,A | 0 | 1 | 1 | 2 | 3 | 3 | 3 | 3 | 2 | 2,0 |
| I2, A | 0 | 1 | 1 | 2 | 3 | 3 | 4 | 4 | 3 | 2,3 |
Рис.2. Показания солнечных панелей в пасмурную погоду, 17.03.16
Расчет эффективности панелей установленных на системе слежения за солнцем представлен в таблице №5.
Таблица № 4
Количество выработанной энергии солнечными панелями за 8 часов в Вт и их сравнение.
| Выходное напряжение, В | 42 |
| P1, Вт | 672,0 |
| P2, Вт | 784,0 |
| P2-P1, Вт | 112,0 |
| Эффективность, % | 14,3 |
Заключение
Полное исследование будет закончено только 10 марта 2017 года, так как надо охватить все времена года. Предварительное исследование охватило только 2 недели работы системы слежения за солнцем, но уже сейчас из полученных результатов видно, что система слежения за солнцем даёт прирост в размере 15% независимости от погоды. В дальнейшем при увеличении солнечной активности мы полагаем, что результат будет выше, так как солнечные панели установленные на систему слежения за солнцем будут быстрее и дольше находиться в максимальных значениях вырабатываемой электроэнергии в отличие от панелей установленных стационарно, что видно из рисунка №3.
Говорить об экономической выгоде преждевременно, но если эффективность системы останется на уровне 15%, то использование таких дорогих систем будет выгодна, только в местах, где установка большего количества панелей невозможна из-за малого пространства.
Данный проект будет развиваться и дальше, в итоге мы получим систему слежения за солнцем способную изменять положение панелей не только по горизонтали, но и в вертикальном положении, что даст дополнительный прирост в мощности панелей. И последним этапом развития будет функция очистки панелей.








